
12年專注精密減速機生產、銷售廠家






|
● 獨立的法蘭盤輸出方式,獲得更大的安裝自由度。 |
| JG方法蘭行星減速機系列 | ||||||
| JG | 90 | L1 | 5 | P1 | ||
| 產品系列 | 產品規格 | 級數 | 傳動比 | 背隙 | 輸出形式 | |
| 64、90、110、140、200 | L1:=1級 L2:=2級 |
L2: 20、25、40、50、80、100
|
P1=精密間隙 P2=標注間隙 |
S1=光軸輸出 無=帶鍵輸出 |
電機制造商及規格型號。也可以直接提供輸出連接尺寸 | |
| 技術參數 / 規格 | JG64 | JG90 | JG110 | |||
| 扭矩 | Nm | 1.5倍額定扭矩 | ||||
| 緊急制動扭矩 | Nm | 2.5倍額定扭矩 | ||||
| 容許徑向力 | N | 680 | 1750 | 3100 | ||
| 容許軸向力 | N | 340 | 875 | 1250 | ||
| 抗鈕剛性 | Nm/arcmin | 13 | 31 | 82 | ||
| 最大輸入轉速 | rpm | 6000 | 6000 | 4500-6000 | ||
| 額定輸入轉速 | rpm | 3300-5500 | 2600-4500 | 2300-4200 | ||
| 噪音 | dB | ≤58 | ≤60 | ≤65 | ||
| 平均壽命 | h | 20000 | ||||
| 滿載效率 | % | L1 ≥ 95% L2 ≥ 90% | ||||
| 回程間隙 | P1 | L1 | arcmin | ≤3 | ≤3 | ≤3 |
| L2 | arcmin | ≤5 | ≤5 | ≤5 | ||
| P2 | L1 | arcmin | ≤5 | ≤5 | ≤5 | |
| L2 | arcmin | ≤8 | ≤8 | ≤8 | ||
| 轉動慣量 | L1 | 4 | Kg.c㎡ | 0.13 | 0.51 | 2.84 |
| 5 | Kg.c㎡ | 0.13 | 0.47 | 2.71 | ||
| 7 | Kg.c㎡ | 0.13 | 0.45 | 2.62 | ||
| 10 | Kg.c㎡ | 0.03 | 0.44 | 2.57 | ||
| L2 | 20 | Kg.c㎡ | 0.03 | 0.23 | 0.47 | |
| 25 | Kg.c㎡ | 0.03 | 0.23 | 0.47 | ||
| 35 | Kg.c㎡ | 0.03 | 0.23 | 0.47 | ||
| 40 | Kg.c㎡ | 0.03 | 0.23 | 0.47 | ||
| 50 | Kg.c㎡ | 0.03 | 0.20 | 0.44 | ||
| 70 | Kg.c㎡ | 0.03 | 0.20 | 0.44 | ||
| 100 | Kg.c㎡ | 0.03 | 0.20 | 0.44 | ||
| 技術參數 / 規格 | JG64 | JG90 | JG110 | ||
| 級數 | 速比 | ||||
| 額 定 扭 矩 (Nm) TN |
L1 | 4 | 40 | 110 | 210 |
| 5 | 40 | 110 | 210 | ||
| 7 | 40 | 90 | 200 | ||
| 10 | 18 | 60 | 120 | ||
| L2 | 20 | 40 | 110 | 210 | |
| 25 | 40 | 110 | 210 | ||
| 35 | 40 | 110 | 210 | ||
| 40 | 40 | 110 | 210 | ||
| 50 | 40 | 110 | 210 | ||
| 70 | 40 | 90 | 200 | ||
| 100 | 18 | 60 | 120 | ||
| 防護等級 | IP65 | ||||
| 環境溫度 | 90℃至-10℃ | ||||
| 重量(Kg) | L1 | 1.3 | 3.4 | 7.1 | |
| L2 | 1.9 | 4.7 | 9.5 | ||

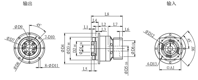
| 機型/代號 | JG-L1 | |||||||||||||||||||||
| D1 | D2 | D3 | D4 | D5 | D6 | D7 | D8 | D9 | D10 | D11 | D12 | D13 | L1 | L2 | L3 | L4 | L5 | L6 | L7 | L8 | A1 | |
| JG64-L1 | 20 | 40 | 64 | 86 | 14 | 50 | 31.5 | 79 | 七孔一銷 | 4.5 | 70 | M4 | 3 | 7 | 4 | 19.5 | 8 | 4 | 32.5 | 81 | 60 | |
| 5 | 7-M5 | |||||||||||||||||||||
| JG90-L1 | 31.5 | 63 | 90 | 118 | 19 | 70 | 50 | 109 | 七孔一銷 | 5.5 | 90 | M5 | 6 | 10 | 7 | 30 | 12 | 6 | 43 | 105.5 | 90 | |
| 6 | 7-M6 | |||||||||||||||||||||
| JG110-L1 | 40 | 80 | 110 | 145 | 22 | 110 | 63 | 135 | 十一孔一銷 | 5.5 | 145 | M8 | 6 | 10 | 8 | 29 | 13 | 7 | 59.5 | 139 | 120 | |
| 6 | 11-M6 | |||||||||||||||||||||
| 客戶定制 | ||||||||||||||||||||||

| 機型/代號 | JG-L2 | |||||||||||||||||||||
| D1 | D2 | D3 | D4 | D5 | D6 | D7 | D8 | D9 | D10 | D11 | D12 | D13 | L1 | L2 | L3 | L4 | L5 | L6 | L7 | L8 | A1 | |
| JG64-L2 | 20 | 40 | 64 | 86 | 14 | 50 | 31.5 | 79 | 七孔一銷 | 4.5 | 70 | M4 | 3 | 7 | 4 | 19.5 | 8 | 4 | 32.5 | 104.5 | 60 | |
| 5 | 7-M5 | |||||||||||||||||||||
| JG90-L2 | 31.5 | 63 | 90 | 118 | 19 | 70 | 50 | 109 | 七孔一銷 | 5.5 | 90 | M5 | 6 | 10 | 7 | 30 | 12 | 6 | 43 | 135 | 90 | |
| 6 | 7-M6 | |||||||||||||||||||||
| JG110-L2 | 40 | 80 | 110 | 145 | 22 | 110 | 63 | 135 | 十一孔一銷 | 5.5 | 145 | M8 | 6 | 10 | 8 | 29 | 13 | 7 | 59.5 | 173 | 120 | |
| 6 | 11-M6 | |||||||||||||||||||||
| 客戶定制 | ||||||||||||||||||||||
